Measurement Setup For Phase Noise Test At Frequencies Above 50 GHz

Recent enhancements in semiconductor technologies requires more of the microwave frequency range beyond 50 GHz, especially in wideband applications such as 802.11ad, microwave links, or automotive RADAR. Low phase noise is essential for these applications to work properly, and accurate measurement of phase noise is needed to improve the performance.
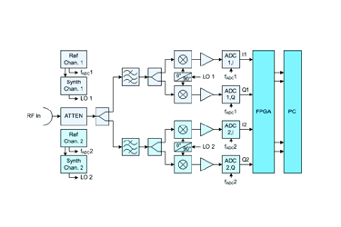
However, test setups at these frequencies become difficult, especially when cross correlation of two receive paths is needed to suppress additional phase noise. Download the full application note to learn more about how phase noise measurements can be made at frequencies higher that 50 GHz.
Get unlimited access to:
Enter your credentials below to log in. Not yet a member of RF Globalnet? Subscribe today.