1P8T: 50S-2145 Datasheet
Source: JFW Industries, Inc.
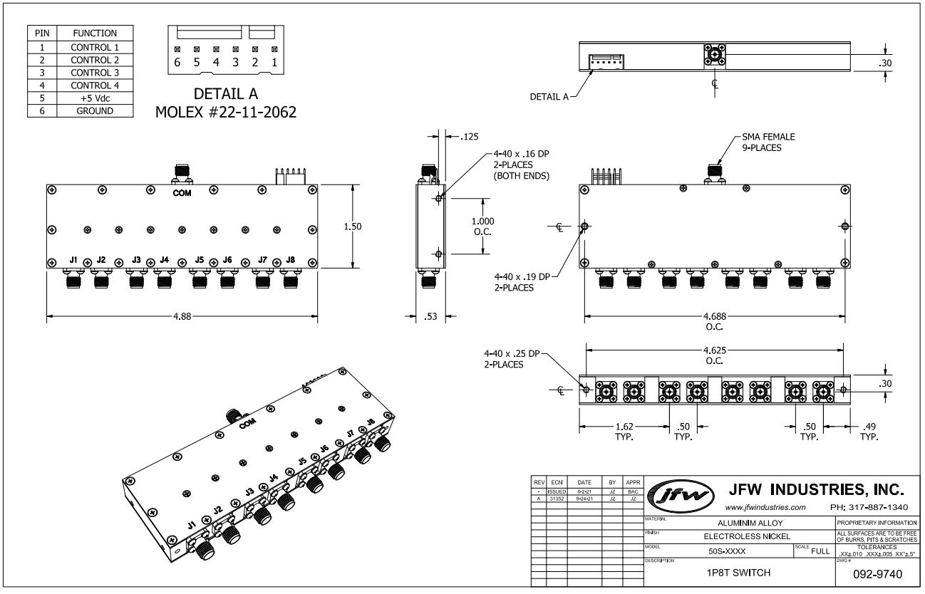
JFW has added a line of 50 Ohm solid-state RF switches that operate 20MHz to 8GHz. These commercially rated models are ideal for constructing low cost RF testbeds for automated testing. The switches are controlled with TTL control lines. The switches can hot switch up to +26dBm with typical isolation of 55dB at 8GHz. Download the available datasheet to learn more.

access the Datasheet!
Log In
Get unlimited access to:
Trend and Thought Leadership Articles
Case Studies & White Papers
Extensive Product Database
Members-Only Premium Content
Welcome Back! Please Log In to Continue.
X
Enter your credentials below to log in. Not yet a member of RF Globalnet? Subscribe today.
Subscribe to RF Globalnet
X
Subscribe to RF Globalnet